產品介紹
產品簡介:
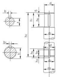
本貢架可直接與我廠的XLD型減速機10種機型聯接
型號標定方法示例:


JXLD型機架主要參數及尺寸
機架代號
減速機出軸軸徑d
攪拌軸軸端尺寸
外形及聯接尺寸
Ⅰ型
Ⅱ型
d1
M
d2
d3(K6)
h1
h2
h3
h4
h5
h6
b
b1
t
t1
H1
H2
D3
D2
D1
n1-φ1
D4
D5
D6(H9)
t2
b2
n2-φ2
H
H3
重量(kg)
H
H
重量(kg)
JXLD3
35
40
M45×1.5
42.8
45
60
215
10
3
16
50
10
6
30
41
291
136
230
200
170
6-12
410
360
300
6
18
6-18
520
170
55
610
260
80
JXLD4
45
50
M55×2
52
55
75
235
14
4
22
69
14
8
39.5
51
335
175
260
230
200
6-12
450
400
335
6
18
6-18
570
155
80
670
255
86
JXLD5
55
60
M65×2
62
65
75
301
14
4
22
70
16
8
49
61
404
178
340
310
270
6-13
500
450
385
6
22
8-18
650
157
110
750
257
120
JXLD6
65
70
M75×2
72
75
90
277
16
4
25
85
18
10
58
70
402
215
400
360
316
8-16
530
480
410
8
22
12-18
660
168
130
760
268
145
JXLD7
80
85
M90×2
87
90
105
316
20
4
30
100
22
12
71
84
441
230
430
390
345
8-18
565
510
430
8
24
12-22
740
194
160
860
314
178
JXLD8
90
95
M100×2
97
100
125
320
20
4
30
120
25
12
81
94
471
276
490
450
400
12-18
565
510
430
8
28
12-22
800
212
208
920
332
230
JXLD9
100
105
M110×2
107
110
125
308
20
4
31
120
28
14
90
104
496
313
580
520
455
12-22
580
520
455
10
30
12-22
810
191
235
920
301
262
JXLD10
110
115
M120×2
117
120
155
267
24
4
35
150
28
14
100
114
475
363
650
590
520
12-22
650
690
520
12
30
12-22
830
221
300
950
341
345
JXLD11
130
135
M140×2
137
140
155
301
28
4
39
150
32
14
119
132
521
375
880
800
680
12-38
880
800
680
12
30
12-37
850
185
480
970
305
538
JXLD12
180
190
M200×3
196
200
284
377
36
4
48
280
45
16
165
190
757
664
1160
1020
900
8-39
1160
1020
900
12
45
8-39
1200
235
350
385
注:圖示所注“h2”僅與本樣本XLD系列減速機相配,如選用其他型號或其他廠家減速機,“H2”需另計算,Ⅰ型為普通型;Ⅱ型為增高型、除H、H2尺寸加大外,其余尺寸與Ⅰ型相同。
產品簡介:
本貢架可直接與我廠的XLD型減速機10種機型聯接
型號標定方法示例:


JXLD型機架主要參數及尺寸
| 機架代號 | 減速機出軸軸徑d | 攪拌軸軸端尺寸 | 外形及聯接尺寸 | Ⅰ型 | Ⅱ型 | ||||||||||||||||||||||||||||
| d1 | M | d2 | d3(K6) | h1 | h2 | h3 | h4 | h5 | h6 | b | b1 | t | t1 | H1 | H2 | D3 | D2 | D1 | n1-φ1 | D4 | D5 | D6(H9) | t2 | b2 | n2-φ2 | H | H3 | 重量(kg) | H | H | 重量(kg) | ||
| JXLD3 | 35 | 40 | M45×1.5 | 42.8 | 45 | 60 | 215 | 10 | 3 | 16 | 50 | 10 | 6 | 30 | 41 | 291 | 136 | 230 | 200 | 170 | 6-12 | 410 | 360 | 300 | 6 | 18 | 6-18 | 520 | 170 | 55 | 610 | 260 | 80 |
| JXLD4 | 45 | 50 | M55×2 | 52 | 55 | 75 | 235 | 14 | 4 | 22 | 69 | 14 | 8 | 39.5 | 51 | 335 | 175 | 260 | 230 | 200 | 6-12 | 450 | 400 | 335 | 6 | 18 | 6-18 | 570 | 155 | 80 | 670 | 255 | 86 |
| JXLD5 | 55 | 60 | M65×2 | 62 | 65 | 75 | 301 | 14 | 4 | 22 | 70 | 16 | 8 | 49 | 61 | 404 | 178 | 340 | 310 | 270 | 6-13 | 500 | 450 | 385 | 6 | 22 | 8-18 | 650 | 157 | 110 | 750 | 257 | 120 |
| JXLD6 | 65 | 70 | M75×2 | 72 | 75 | 90 | 277 | 16 | 4 | 25 | 85 | 18 | 10 | 58 | 70 | 402 | 215 | 400 | 360 | 316 | 8-16 | 530 | 480 | 410 | 8 | 22 | 12-18 | 660 | 168 | 130 | 760 | 268 | 145 |
| JXLD7 | 80 | 85 | M90×2 | 87 | 90 | 105 | 316 | 20 | 4 | 30 | 100 | 22 | 12 | 71 | 84 | 441 | 230 | 430 | 390 | 345 | 8-18 | 565 | 510 | 430 | 8 | 24 | 12-22 | 740 | 194 | 160 | 860 | 314 | 178 |
| JXLD8 | 90 | 95 | M100×2 | 97 | 100 | 125 | 320 | 20 | 4 | 30 | 120 | 25 | 12 | 81 | 94 | 471 | 276 | 490 | 450 | 400 | 12-18 | 565 | 510 | 430 | 8 | 28 | 12-22 | 800 | 212 | 208 | 920 | 332 | 230 |
| JXLD9 | 100 | 105 | M110×2 | 107 | 110 | 125 | 308 | 20 | 4 | 31 | 120 | 28 | 14 | 90 | 104 | 496 | 313 | 580 | 520 | 455 | 12-22 | 580 | 520 | 455 | 10 | 30 | 12-22 | 810 | 191 | 235 | 920 | 301 | 262 |
| JXLD10 | 110 | 115 | M120×2 | 117 | 120 | 155 | 267 | 24 | 4 | 35 | 150 | 28 | 14 | 100 | 114 | 475 | 363 | 650 | 590 | 520 | 12-22 | 650 | 690 | 520 | 12 | 30 | 12-22 | 830 | 221 | 300 | 950 | 341 | 345 |
| JXLD11 | 130 | 135 | M140×2 | 137 | 140 | 155 | 301 | 28 | 4 | 39 | 150 | 32 | 14 | 119 | 132 | 521 | 375 | 880 | 800 | 680 | 12-38 | 880 | 800 | 680 | 12 | 30 | 12-37 | 850 | 185 | 480 | 970 | 305 | 538 |
| JXLD12 | 180 | 190 | M200×3 | 196 | 200 | 284 | 377 | 36 | 4 | 48 | 280 | 45 | 16 | 165 | 190 | 757 | 664 | 1160 | 1020 | 900 | 8-39 | 1160 | 1020 | 900 | 12 | 45 | 8-39 | 1200 | 235 | 350 | 385 | ||
注:圖示所注“h2”僅與本樣本XLD系列減速機相配,如選用其他型號或其他廠家減速機,“H2”需另計算,Ⅰ型為普通型;Ⅱ型為增高型、除H、H2尺寸加大外,其余尺寸與Ⅰ型相同。

a>